JACK FEMMINA

Jack del pannello stereo da 6,3 mm

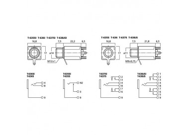
T-638JSI

articolo non fornibile

per informazioni:

scrivici a info@zzippgroup.com o chiamaci al numero +390429617888

Alias Code
4007754172270

JACK FEMMINA

Jack del pannello stereo da 6,3 mm
  • Corpo in plastica
    Isolato
    Con interruttore

Specifiche:

TipoPresa jack 6,3 mm da pannello
TipoJack
Numero1
Colore/codifica colorinero/argento
CollegamentiPresa jack 6,3 mm
Stereo
Interruttore2 vie, 2 posizioni (senza potenziale)
MaterialeContenitore di plastica
Fissaggio centraleØ 12 mm
Temp. di esercizio ammessa0-40 °C
Dimensioni (lxhxp)16,8 x 17 x 38,2 mm
Peso11 g
Altroisolato

T-638JSI
    nessun doc

News

Best products