JACK FEMMINA

Jack da pannello 6,3mmmm

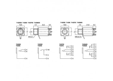
T-635SI

articolo non fornibile

per informazioni:

scrivici a info@zzippgroup.com o chiamaci al numero +390429617888

Alias Code
4007754172171

JACK FEMMINA

Jack da pannello 6,3mmmm
  • Corpo in plastica
    Isolato
    Con interruttore

Specifiche:

TipoPresa da pannello
TipoJack 6,3 mm
Numero1
CollegamentiJack 6,3 mm
mono
Interruttore1
MaterialePlastica
Fissaggio centraleØ 12 mm
Peso9 g
Altroisolato

T-635SI
    nessun doc

News

Best products